PLUS-MECHANIK

Home > Produkte > Plus-Mechanik

DER FOKUS IST DAS PLUS!

Die Plus-Mechanik konzentriert sich auf das Wesentliche. Der klare, minimalistische Aufbau vereinfacht Montage und Betrieb deutlich. So vermeidet die Beschränkung auf nur wenige Bauteile ein langwieriges Schrauben. Im Modell wird die Mechanik auf einer vorbereiteten Plattform an vier Punkten passgenau montiert. Die von uns entwickelte und seit mehreren Jahren im Einsatz befindliche Plus-Mechanik läßt sich entsprechend der jeweiligen Erfordernisse des Modelltyps konfigurieren.

MAXIMALE FUNKTION

Durch den Verzicht auf das übliche Seitenplattenkonzept ist die Mechanik sehr kompakt und findet unauffällig im oberen Bereich des Scale-Modells Platz. Sie steht so einem umfangreichen Scale-Ausbau des Hubschraubers nicht im Wege. Mit dieser kompakten Bauweise ist die Mechanik dennoch auf volle Leistungsfähigkeit ausgelegt. Effektiv erledigt die Mechanik dabei genau diese drei Aufgaben:

- Verteilung der Motorleistung auf die Rotorsysteme
- Überleitung der Rotorkräfte und -momente in die Zelle
- Steuerung des Rotorsystems

SERVO-KOMFORT

Die drei Servos der Taumelscheibe sind in einem Rahmen gefasst, der mit nur zwei Schrauben komfortabel montiert wird.
(Video>)

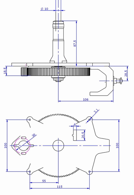
TECHNISCHE DATEN


Geeigneter Rotordurchmesser        1,3 -2,0 m
Geignete Hubschraubermasse         5 - 10 kg

Nennleistung, elektrisch               2000 W max.

Übersetzung Hauptrot.-Motor          120:16 bis 120:10
Übersetzung Hauptrot.-Heckrotor    120:24 (Standard)
Rotordrehrichtung                          links (Standard)
Rotorwellendurchmesser                 10 mm

Lochkreisdurchmesser Motorflansch  30 mm
Erforderl. Motorwellendurchmesser    6 mm
Erforderl. Motorwellenlänge            30 mm min.
                                                 (38 mm min. für No-Tail-Rotor Variante)

Empfohlene Servogröße                  40 x 20 x 40 mm (LxBXH, o. Flansch)
Servobreite                                  max. 20,5 mm
Servolänge                                   ca. 40 +/- 4 mm
Servoflansch                                 wird eingesteckt

MECHANIK-BAUSÄTZE


Inhalt:
- Getriebeeinheit mit Rotormast und -welle, Freilauf und Servohalterung
- je nach Variante mit Heckrotorabtrieb oder Gebläse
- je nach Variante mit oder ohne Taumelscheibe / Mitnehmer
- Bauanleitung
- Zusätzlich u.a. erforderlich: Motorritzel, Hauptrotor,
  Antriebswelle Heckrotor, Heckrotor mit Getriebe, Elektrik, Elektronik


 

PLUS-Mechanik 500

Bausatz - passend für Modelltyp 500D/E

Motorposition hinten, mit Heckrotorabtrieb,
mit 5-Blatt-Scale-Taumelscheibe und Mitnehmer


No. 13030

Preis € 959,-
(inkl. MwSt. zzgl. Versand)

 

PLUS-Mechanik 520N

Bausatz - passend für Modelltyp 520N,

Motorposition hinten, No-Tail-Rotor, mit 5-Blatt-Scale-Taumelscheibe und Mitnehmer. Es wird eine Motorwelle mit min. 38 mm Länge benötigt!

No. 13050

Preis € 1199,-
(inkl. MwSt. zzgl. Versand)

 

PLUS-Mechanik 902

Bausatz - passend für Modelltyp 902,

Motorposition vorn, No-Tail-Rotor, ohne Taumelscheibe.
Es wird eine Motorwelle mit min. 38 mm Länge benötigt!

No. 13020

Preis € 999,-
(inkl. MwSt. zzgl. Versand)

 

PLUS-Mechanik 206

Bausatz - passend für Modelltyp 206

Motorposition vorn, lange Rotorwelle,
mit Heckrotorabtrieb, mit Scale-Taumelscheibe und Mitnehmer


No. 13040

Preis € 959,-
(inkl. MwSt. zzgl. Versand)

 

PLUS-Mechanik Standard

Bausatz - für individuelle Anwendung

Motorposition vorn, Standardrotorwelle, mit Heckrotorabtrieb, ohne Taumelscheibe


No. 13010

Preis € 859,-
(inkl. MwSt. zzgl. Versand)

 

NO-TAIL-ROTOR

Das No-Tail-Rotor-Prinzip wird durch eine Variante der Plus-Mechanik verwirklicht: Ein Gebläse erzeugt einen Luftstrom, der am Heckende durch eine variable Düse geregelt wird. Der geniale Vorteil: Die Mechanik im Heck entfällt!

Sicherheitshinweis:
Diese Hubschraubermodelle sind keine Kinderspielzeuge! Der Umgang mit den Modellen erfordert Vorkenntnisse im Modellbau und im Modellflug. Eine unsachgemäße Handhabung kann zu schwerwiegenden Unfällen führen.

Kontakt
Impressum
info@scaleplusmodels.de
  
AGB
Datenschutz
Bestellen
Projekt NEO